EN
首页
关于我们
公司简介
销售网络
产品服务
监测仪
压装机
校验仪
压装专用传感器
行业应用
离合器
新能源汽车
电机行业
电子行业
精密仪表
新闻动态
公司新闻
行业动态
研发与服务
技术研发
售后服务
联系我们
close
关于我们
公司简介
销售网络
产品服务
监测仪
压装机
校验仪
压装专用传感器
行业应用
离合器
新能源汽车
电机行业
电子行业
精密仪表
新闻动态
公司新闻
行业动态
研发与服务
技术研发
售后服务
联系我们
搜索
压装专用传感器
监测仪
压装机
校验仪
压装专用传感器
您当前所在的位置:
首页
·
产品服务
·
压装专用传感器
·
NS-WY02系列 位移传感器
精度高、误差小、宽量程
高分辨率、预期寿命长
移动平滑、舒畅
全进口材料
防护等级IP54
资料下载
产品介绍
技术参数
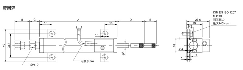
外形尺寸图
接线定义
选型表
推荐产品
RECOMMEND PRODUCTS
米兰官方网站-米兰(中国)传感器官网
更多传感器选型请点击
了解更多
+
NS-WY03系列 位移传感器
精度高、误差小、宽量程
高分辨率、预期寿命长
移动平滑、舒畅
全进口材料
防护等级IP54
了解更多
+
NS-WY02系列 位移传感器
内置弹簧、自动复位
高分辨率、预期寿命长
精度高、误差小
移动平滑、舒畅
全进口材料
了解更多
+
NS-NJ8系列 静态扭矩传感器
量程:0~20KN·m
输出:1mv/V、0~±5/10V、4~20mA可选
精度:±0.2%F.S
了解更多
+
NS-TH3 系列 称重传感器
NS-TH3 系列轮辐式称重传感器结构;
简单、坚固,具有抗侧向力和偏载能力强
重心低、便于安装等特点;
被广泛应用在自动化控制系统中作为称量、测力等自动控制元件。
了解更多
+
NS-WL7系列 力传感器
通过双边的法兰盘进行连接
结构紧凑
不锈钢制造
了解更多
+
NS-WL6 系列 拉压力传感器
NS-WL6系列传感器采用中空设计
不锈钢制造
主要用于各种拉压力测试仪器,自动化设备,
内置传感器电缸等
了解更多
+
NS-WL5 系列 拉压力传感器
NS-WL5 系列传感器采用拉压结构
用于汽车压装、自动化组装,3C 产品测试等
具有温度特性好、具有抗过载能力强、工作稳定等特点
了解更多
+